Tastați câteva cuvinte pentru a găsi conținut eg:
fuse,arrestor,00110115 technical...
Căutări recente
Asistență tehnică
This email address is being protected from spambots. You need JavaScript enabled to view it.

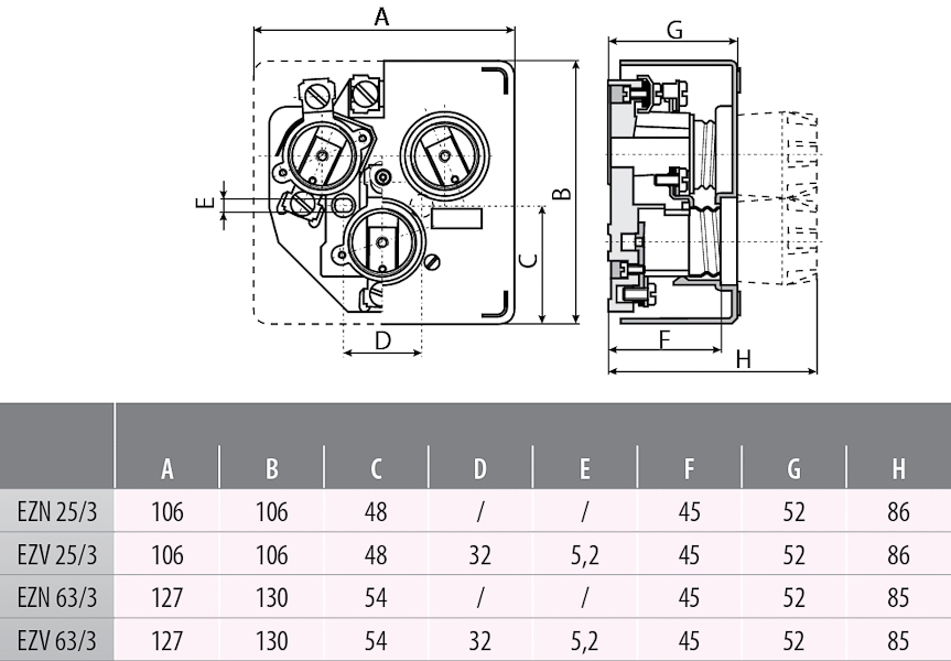
Bază siguranțe DIII E33 63A EZN DELTA 3p 002323043 Invechit

Disponibil
La cerere
Va rugam solicitati informatii despre produs.
COM_ETISTORE_ITEM_MESSAGE_OBSOLETE_TERMINATED

Specificatii

Cod ETI:
002323043
Descriere:
* DIII E33 63A EZN DELTA 3p
Denumire clasă:
Bază siguranțe
Tip montaj:
TH 35
Tip:
EZN/3
Mărime:
DII
Număr de poli:
3
Curent nominal (A):
63
Tensiune nominală AC (V):
500

Documente

Produse

Greutatea produsului
0.628  kg
Tarif vamal
85389099  

ambalare pentru transport

Cantitate
8  
EAN
3838895002659  
Greutate
5.02  kg
Cantitate. transport
768  
Clasificare
EC000094
Denumire clasă
D-system fuse base
Number of poles
3
Construction size
DII
Material
Porcelain
Model
Fitted screw
Mounting method
DIN rail
Rated voltage
500V
Rated current
63A
Clasificare ETIM – Clasificare ETIM Versiune 7.0

Imagini & Diagrame

Cosul dumneavoastra este gol.