Siguranță NH1/K UQ2 gR 224A/690V 004723247
Disponibil
La cerere
Va rugam solicitati informatii despre produs.
Specificatii
- Cod ETI:
- 004723247
- Descriere:
- NH1/K UQ2 gR 224A/690V
- Denumire clasă:
- Siguranță
- Grup de produse:
- Protecție Semiconductor
- Tip:
- NH-K
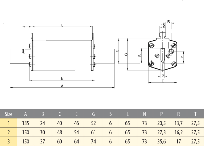
- Mărime:
- NH1
- Curent nominal (A):
- 224
- Tensiune nominală AC (V):
- 690
- Caracteristici:
- gR
- Capacitatea de rupere (AC) (kA):
- 200
- Aplicație:
- Pentru protectia dispozitivelor semiconductoare
- Indicator:
- Indicator de stare striker
- Putere disipată (W):
- 36,8
- Operare Joule integrală (A2s):
- 60.000
- Standarde:
- IEC 60269-4
Documente
Date logistica
Produse
- Cod produs EAN
- 3838895767985
- Greutatea produsului
- 490 g
- Tarif vamal
- 85361090
- logis_net_width
- 46 mm
- logis_net_height
- 135 mm
- logis_net_depth
- 62 mm
Ambalare de baza
- Cantitate
- 3
- EAN
- 3838895505433
- Greutate
- 1.5 kg
ambalare pentru transport
- Cantitate
- 24
- EAN
- 3838895767992
- Greutate
- 12 kg
- Cantitate. transport
- 1248
COM_ETISTORE_ITEM_TITLE_LOGISTIC_DATA_SECTION4
- qty
- 1 pcs
- Greutate
- 490 g
- Înălțime (mm)
- 135
- Adâncime (mm)
- 62
- volume
- 0.45 dm3
Clasificare ETIM
- Clasificare
- EC000055
- Denumire clasă
- Low Voltage HRC fuse
- Construction size
- NH1
- Rated current
- 224
- Rated voltage
- 690
- Voltage type
- AC
- Rated switching capacity
- 200
- Utilization category
- gR (general purpose semiconductor protection)
- Type of fuse status indicator
- Other
- Insulated metal gripping lugs (IMGL)
- Nu
Imagini & Diagrame
Software & drivere

Etichete
Accesorii 1
>
>
0