Tastați câteva cuvinte pentru a găsi conținut eg:
fuse,arrestor,00110115 technical...
Căutări recente
Asistență tehnică
This email address is being protected from spambots. You need JavaScript enabled to view it.

Siguranță NH3 UQ2 gR 425A/690V 004725224

Disponibil
La cerere
Va rugam solicitati informatii despre produs.

Specificatii

Cod ETI:
004725224
Descriere:
NH3 UQ2 gR 425A/690V
Denumire clasă:
Siguranță
efuse:
1
Grup de produse:
Protecție Semiconductor
Tip:
NH
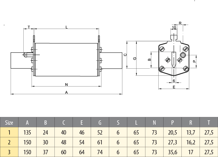
Mărime:
NH3
Curent nominal (A):
425A
Tensiune nominală AC (V):
690V
Tensiune nominală DC (V):
690V
Caracteristici:
gR
Capacitatea de rupere (AC) (kA):
200kA
Aplicație:
Pentru protectia dispozitivelor semiconductoare
Indicator:
Indicator principal al siguranței
Putere disipată (W):
84W
Operare Joule integrală (A2s):
200000
Standarde:
IEC 60269-4

Documente

Produse

Cod produs EAN
3838895350637  
Greutatea produsului
980  g
Tarif vamal
85361090  
logis_net_width
64  mm
logis_net_height
150  mm
logis_net_depth
84  mm

Ambalare de baza

Cantitate
3  
EAN
3838895366379  
Greutate
3  kg

ambalare pentru transport

Cantitate
15  
EAN
3838895562221  
Greutate
15.3  kg
Cantitate. transport
360  

COM_ETISTORE_ITEM_TITLE_LOGISTIC_DATA_SECTION4

qty
1  pcs
Greutate
980  g
Înălțime (mm)
150  
Adâncime (mm)
84  
volume
1.3  dm3
Clasificare
EC000055
Denumire clasă
Low Voltage HRC fuse
Construction size
NH3
Rated current
425
Rated voltage
690
Voltage type
AC
Rated switching capacity
200
Utilization category
gR (general purpose semiconductor protection)
Type of fuse status indicator
Top fuse status indicator
Insulated metal gripping lugs (IMGL)
Nu
Clasificare ETIM – Clasificare ETIM Versiune 7.0

Imagini & Diagrame

Accesorii 1

>
>
0
Cosul dumneavoastra este gol.